變壓器是電力系統中最常見的一種設備,它有著十分重要的地位,然而,我們也常常會看見變壓器發生一些故障,故障的類型有很多種,原因也不盡相同。業界常將變壓器故障分為兩類,即油箱內故障和油箱外故障。
箱內故障的原因有:種類相間短路、繞組的匝間短路和單相接地短路等。出現這種故障會帶來一些影響和危害,比如郵箱內產生高溫后,極易引發變壓器爆炸。箱外故障的原因有:引線及絕緣套管處會產生各種相間短路和接地(對變壓器外殼)短路。這會導致線圈變形然后致使繞組的絕緣性下降。

根據眾多電力前輩的總結,我們可以通過一些預防性試驗來避免變壓器故障的出現,接下來我們來詳細學習各種保護試驗及保護范圍吧!瓦斯保護是一種用來預防變壓器內部故障的繼電保護試驗,如果設備內部出現故障時,就像匝間短路,存在郵箱內部受熱而產生氣體,瓦斯保護應動作,它可以非常好的反映出變壓器內部存在的故障。

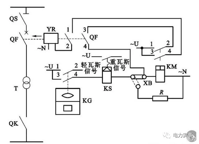
一般情況下,要是油浸式變壓器容量高于800 kV·A都要安裝瓦斯保護裝置。如下圖,瓦斯裝置的安裝位置也是有講究的,比如一定要將它安在油箱與儲油柜之間的連通管上。變壓器安裝時還要注意使它保持一定的傾斜,傾斜度大概在百分之一到百分之一點五之間,這樣才能使變壓器油箱受熱時產生的氣體順利的從瓦斯裝置中排向儲油柜。還有很多人不清楚瓦斯繼電器的工作原理是什么,想知道請看下面:

1. 一般情況下,瓦斯裝置的油被中都是灌滿油的,這就會使其上、下觸點都是斷開的狀態。而要是變壓器發生故障時,就會使其油箱內的油面下降,這就會導致上觸點接通,從而發出報警信號。

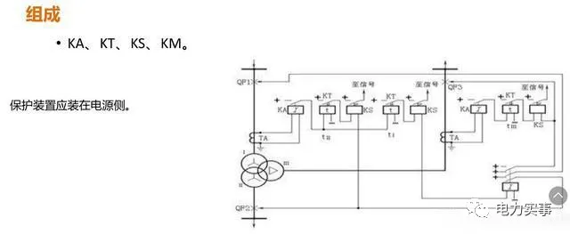
2. 重瓦斯動作就是變壓器油箱產生許多氣體時,就會沖擊油箱的擋板,這會導致瓦斯裝置的下油杯落下與下接觸點相接通起來,會引起直接的跳閘,就是重瓦斯動作。3. 當變壓器漏油時,會引起瓦斯裝置的上下油杯先后降落,分別與各接觸點相連,使斷路器跳閘。縱聯差動保護是用來保護變壓器內部故障以及避免其套管和引出線的相間短路,它保護的范圍在變壓器一二側的電流互感器之間,當這個范圍內出現短路時,就會在差動回路中引起的不平衡電流而動作的一種保護。

還有一種情況是勵磁涌流的產生,因為變壓器鐵心中磁通不會突變而致使過渡過程產生的,所以在變壓器差動保護中將勵磁涌流的影響減小有以下幾種方法:

② 選取比較波形間斷角來鑒別內部故障和勵磁涌流的差動裝置。當單臺變壓器的容量不低于10000 kV·A時,以及并列運行的變壓器容量不低于6300 kV·A時,就務必裝置。電流速斷保護和縱聯差動保護一樣,是用來預防變壓器內部故障及引出線套管的故障。既然兩種方法所達到的效果一致,那么在什么情況下必須用電流速斷保護而非縱聯差動保護呢?

答案是當單臺變壓器的運行容量低于10000 kV·A時,以及并列工作的變壓器容量不高于6300 kV·A時,這種情況就不用裝置縱聯差動保護,而是裝設電流速斷保護。過電流保護的裝置都是根據線路的最大負荷電流的原則而整定的,所以,為了使這個保護裝置的動作的選擇性得以保證,那么就一定要采取逐級增加的階梯形時限特性。所以這也導致了短路點離電源越近。我們必須要清楚的一點是,保護裝置動作的時限與危害程度是正相關的的關系,也就是說時限越長,那么危害也就越嚴重。為了解決這個問題,我們通常采取提高電流整定值以限制保護動作范圍的方法,這就將保護動作的時限大大減少了,整個過程就是電流速斷保護。大家要注意,前面我們說了電流速斷保護實際上可以保護的是一定范圍內的,而不是保護線路的全長,我們把那些不能保護的區域叫做“保護死區”。過電流保護和前面三種措施有點不同,這個方法是用來防御變壓器內部和外部故障的,它是縱聯差動保護以及電流速斷保護的后備保護,帶時限動作于跳開各電源側斷路器。

這個方法是用來保證變壓器正常運行時出現的過負荷情況,它只有在變壓器確存在過負荷可能引起的過電流的情況下時,才可以裝設,一般動作于信號。這個只需要在一相上裝一個電流繼電器。當變壓器存在過負荷時,電流繼電器動作,再經過時間繼電器給予一定延時,最后接通信號繼電器發出報警信號。零序電流保護由兩個部分組成,分別是電流元件、電壓元件,主要裝于變壓器中性點接地引出線的電流互感器上,保護動作后切除變壓器一、二次側的斷路器。對低壓側為中性點直接接地系統(三相四線制),當高壓側的保護靈敏度不能滿足要求時,應裝設專門的零序電流保護。